Notice
Recent Posts
Recent Comments
Link
250x250
| 일 | 월 | 화 | 수 | 목 | 금 | 토 |
|---|---|---|---|---|---|---|
| 1 | 2 | 3 | ||||
| 4 | 5 | 6 | 7 | 8 | 9 | 10 |
| 11 | 12 | 13 | 14 | 15 | 16 | 17 |
| 18 | 19 | 20 | 21 | 22 | 23 | 24 |
| 25 | 26 | 27 | 28 | 29 | 30 | 31 |
Tags
- DB
- function
- AI
- openai
- php
- web
- control
- react
- Java
- DS
- architecture
- javascript
- DATAPATH
- github
- for
- html
- CSS
- Class
- MIPS
- data structure
- instruction
- XML
- mysql
- system
- Linux
- python
- Rag
- Pipelining
- Algorithm
- computer
Archives
- Today
- Total
YYYEJI
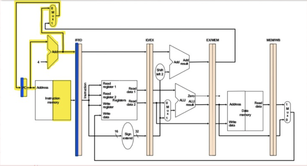
[MIPS] sw Datapath (Pipelining) 본문
728x90

① Instruction fetch step (IF)

② Instruction decode/register fetch step (ID)

③ Execution/effective address step (EX)

④ Memory access (MEM)

⑤ Register write-back step (WB)
XXX
sw는 register에 값을 쓰지 않습니다.
sw의 datapath에서 Corrected datapath를 필요로 하지 않습니다.
https://yyyeji.tistory.com/283
[MIPS] Corrected Datapath란?
Corrected Datapath 란? Pipelining을 할 때 한 instruction이 시작하면 다음 instruction이 그대로 시작을 하게 됩니다. 여기서 5번째 clock cycle을 보면 WB 단계는 register에 값을 써야되는 상황이고, ID 단계를 regist
yyyeji.tistory.com
◡̈
728x90
'Computer architectures' 카테고리의 다른 글
| [MIPS] Corrected Datapath란? (0) | 2022.11.27 |
|---|---|
| [MIPS] beq Datapath (Pipelining) (0) | 2022.11.27 |
| [MIPS] lw Datapath (Pipelining) (0) | 2022.11.27 |
| [MIPS] R-type Datapath (Pipelining) (0) | 2022.11.27 |
| [MIPS] 5 Step of Pipelining (0) | 2022.11.27 |